


手機瀏覽
更方便
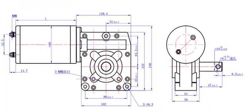
80ZYJ-Y直流永磁減速電動機是由直流永磁減速電動機和蝸輪蝸桿減速器組成,結構簡單、安裝方便、耐負載能力強、使用可靠。使用于大、中型貨車、卡車等篷布自動覆蓋裝置及類似裝置中作驅動元件。
電動機的技術參數 Motor Technical Data
|
電機型號 Type |
電壓 V |
轉矩 N.m |
電流 A |
轉速 r/min |
功率 W |
長度 cm |
|
80ZYJW-125 |
12/24 |
0.58 |
25/13 |
3900 |
240 |
125 |
減速器的技術參數 Gearbox Technical Data
| 減速比 Ratio |
減速器尺寸 長*寬*高 |
空載轉速 r/min |
負載轉速 r/min |
額定轉矩 N.m |
允許負載上限 N.m |
|
50:1 |
102*122*56 |
100 |
90 |
22 |
40 |